|
常州龙力机械有限公司
地址:常州市新北区薛家镇汉江路161号
电话:86-0519-83338086
传真:86-0519-83336086
邮箱:58238747@qq.com
网址:www.czlljx.com |
|
|
|
|
| 产品介绍:
|
|
活塞式减压阀,蒸汽减压阀是气动调节阀的一个必备配件,主要作用是将气源的压力减压并稳定到一个定值,以便于调节阀能够获得稳定的气源动力用于调节控制。
按结构形式可分为膜片式、弹簧薄膜式、活塞式、杠杆式和波纹管式;按阀座数目可人为单座式和双座式;按阀瓣的位置不同可分为正作用式和反作用式
活塞式减压阀的工作由阀后压力进行控制。当压力感应器检测到阀门压力指示升高时,减压阀阀门开度减小;当检测到减压阀后压力减小,减压阀阀门开度增大,以满足控制要求。
活塞式减压阀——该阀门的减压比必须在一定程度上高于系统值; 即使在最大或者最小流量时它也应该能够对正作用或者反作用控制信号做出响应。这些阀门应该针对有用控制范围选择,即最大流量的20%到80%。正常为等比型或者具有等比特性。这些类型的阀门本身具有比例控制所要求的最佳流量特性及流量范围。
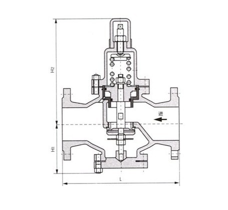
弹簧活塞式减压阀主要由调节弹簧、膜片、活塞、阀座、阀瓣等零件组成,是弹簧薄膜式减压的换代产品。利用活塞直接传感下游压力驱动阀瓣,控制阀瓣开度完成减压稳压功能。本产品在城市建筑、高层建筑的冷热供水系统中,可取代常规分区水管,节省设备。也可在通常的冷热水管网中,起减压稳压作用。

工作原理及结构
减压阀出厂时,调节弹簧处于未压缩状态,此时主阀瓣和付阀瓣处于关闭状态,使用时按顺时针转动调节螺钉,压缩调节弹簧,使膜瓣移顶开付阀瓣,介质由a孔通过付阀座到b孔进入活塞上方,活塞在介质压力的作用下,向下移动推动主阀瓣离开主阀座,使介质流向阀后.同时由c孔进入膜片下方,当阀后压力超过调定压力时,推动膜片上移压缩调节弹簧,付阀瓣随之向关闭方向移动,使流入活塞上方的介质减小,压力也随之下降,此时的主阀瓣在主阀瓣弹簧力的推动上下移,使主阀瓣与主阀座的间隙减小,介质流量也随之减小,使阀后压力也随之下降到新的平衡,反之当阀后压力低于调定压力时,主阀瓣与主阀座的间隙增大,介质流量也随之增加,使阀后压力也随之增高达到新的平衡.
空压机网汇集了国内外上千家空压机企业,每日提供大量有效徐州空压机供求商机及产品报价,江苏空压机网是空压机行业制造商品牌宣传、产品展示最佳网站媒体。众多空压机资讯,尽在空压机网… |
|
|